友信株式会社

ディスクブレーキって何?

 

ディスクブレーキ使用例

大慣性回転体の停止時間短縮、制動停止、危険防止。フライホイール、ミキサ、工業用洗濯機、乾燥機、食品機械遠心分離機など。
張力制御および非常停止。繊維、製紙、製缶、製管、包装、電線供給機械など。
低摩擦移動による位置決め後の外力吸収および固定。スリッタ、切断機など。
防爆用としての空圧ディスクブレーキ使用。木工、繊維、塗装、紙加工、製材機械など。
落下防止、非常停止用に逆作動ディスクブレーキ使用。ウインチ、エレベータ、クレーン、ゴンドラなど。
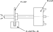
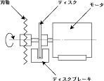
工作機械主軸の制動停止、保持、バックラッシュの除去。
電磁、湿式多板クラッチのドラグトルクの除去。船舶、農業機械など。
ラック&ピニオン、ボールねじ使用中の重力による落下防止。
ローラの固定および連続すべり。負荷試験機、タイヤ洗浄機、タキシメータ試験機など。
金属加工機、インデックステーブルによる位置決め後の外力よりの固定。
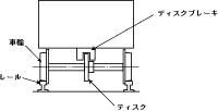
走行車両の制動およびパーキング。構内走行車、遊園地施設、トロッコなど。
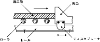
定寸割出し用突当ての位置決め後の固定。切断機、裁断機、ベンディングマシンなど。